十大彩票游戏平台

头部背景图 头部背景图
关爱版

当前位置:首页专题专栏科技与文化技术标准

技术标准
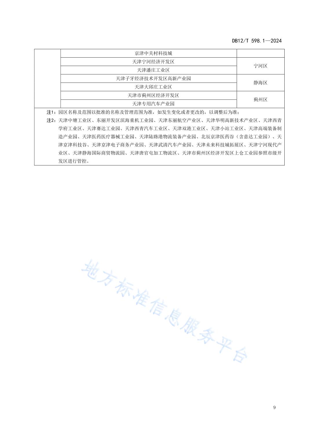
建设项目用地控制指标 第1部分工业和仓储项目
来源:市市场监管委 时间:2025-01-27 11:40
建设项目用地控制指标 第1部分工业和仓储项目_技术标准_十大彩票游戏平台

附件下载:

相关新闻:

友情链接:
党政机关

关于本站| 版权信息| 网站地图| 使用帮助| 联系我们

主办单位:十大彩票游戏平台 地址:天津市和平区曲阜道84号 邮编:300042

网站标识码:1200000077 备案编号:津ICP备19001981号 徽标  津公网安备12010102000518号

版权所有:十大彩票游戏平台

关于本站|版权信息|网站地图|使用帮助|联系我们

主办单位:十大彩票游戏平台

地址:天津市和平区曲阜道84号

网站标识码:1200000077

备案编号:津ICP备19001981号 版权所有:十大彩票游戏平台

徽标津公网安备12010102000518号

党政机关
WG体育 皇冠体育网址 BG大游集团 365bet平台 威廉希尔app